Xem catalog chi tiết tại đây!
Thông số kỹ thuật Đồng hồ so cơ khí Mitutoyo 2046S
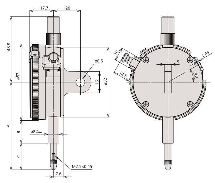
- Khoảng đo : 0~10mm
- Giá trị vạch chia nhỏ nhất : 0.01mm
- Độ chính xác : ± 0.013mm
- Giá trị khi kim đồng hồ quay 1 vòng : 1mm
- Số trên mặt đồng hồ : 0-100
- Lực đo : ≤ 1.4N

A= 65.2mm, B= 16.9mm C= 19.8mm
Tính năng
- Bề mặt đồng hồ được phủ lớp chống trầy xước, bám dính.
- Trục chính (spindle) và bạc dẫn hướng (stem) được làm bằng Inox, và được tôi cứng, để tăng tuổi thọ của dụng cụ.
- Các chi tiết lớn còn lại như bộ khung, núm khóa xoay...được làm bằng Inox, chống mài mòn và biến dạng.
Ứng dụng của đồng hồ so cơ khí
1/ Trong xưởng gia công cắt gọt.
- Hỗ trợ thiết lập điểm gốc phôi (X=0, Y=0) trên máy CNC.
- Lấy tâm của lỗ.
- Lấy tâm phôi cho mâm cặp 4 chấu không tự định tâm.
- Kiểm tra độ đảo của trục máy phay, máy tiện, máy mài, máy khoan...
- Hỗ trợ việc thiết lập đồ gá gia công trên máy CNC.
- ...
2/ Trong phòng QC hay phòng gia công chế tạo.
- Dùng để đo kiểm độ thẳng, độ phẳng, độ song song.
- Kiểm tra độ tròn, độ trụ, độ lồi hay lõm của trục
- Kiểm tra độ đồng tâm.
- Kiểm tra độ đảo mặt đầu, độ đảo hướng kính.
- Đo độ sâu, đo bậc.
- Làm đồ hồ cho "Đồng hồ đo lỗ", "đồng hồ đo độ dày".
3/ Trong xưởng sản xuất.
- Nó dùng để thiết lập đồ gá, thiết lập và hiệu chỉnh máy.
- Thiết lập độ đồng trục giữa 2 thiết bị.

(Hình chỉ minh họa cho ứng dụng của sản phẩm)
VATTUCOKHI247 là đại lý chính hãng cung cấp các sản phẩm Đồng hồ so điện tử Mitutoyo tại Việt Nam, chúng tôi cam kết đem lại cho khách hàng những giải pháp tối ưu, sản phẩm chất lượng, giá cả cạnh tranh và thời gian giao hàng nhanh nhất.
Vui lòng liên hệ để được tư vấn: