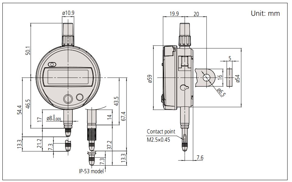
Thông số kỹ thuật Đồng hồ so điện tử Mitutoyo 543-782B
- Model : ID-S1012MX
- Khoảng đo (Range) : 0.5” / 12.7mm
- Độ phân giải (Resolution) : 0.0005”/0.01mm
- Độ chính xác (Accuracy) : ± 0.0008”
- Loại lưng thẳng (w/ lug back)
- Lực đo =< 1.5N
- Có cổng kết nối SPC, để xuất dữ liệu ra ngoài.
- Pin SR44 (1 cục) tuổi thọ 20,000 giờ trong điều kiện sử dụng bình thường.
- Kèm theo giấy kiểm tra hiệu chuẩn trước khi xuất xưởng của nhà sản xuất (Inspection Certificate is included).

Tính năng
- Sau khi thiết lập điển gốc "0" ban đầu bằng nút "Origin", định vị tuyệt đối lặp đi lặp lại không còn cần thiết trên toàn bộ thời lượng của Pin.
- Thiết kế đơn giản.
- Tốc độ phản hồi không giới hạn giúp loại bỏ các lỗi quá tốc độ (overspeed errors).
- Cổng xuất dự liệu ra SPC
Chức năng (Function)
- Origin : Cài đặt điểm gốc "0".
- in/mm : Cài đặt đơn vị đo Inch hoặc mm.
- Power ON/OFF : Bật tắt nguồn.
- Counting direction switching (+/-) : Chuyển hướng đếm.
Ứng dụng Đồng hồ so điện tử Mitutoyo 543-782B
- Được ứng dụng trong gia công cơ khí chính xác.
- Được sử dụng với nhiều mục đích khác nhau như kiểm tra độ tròn, độ đồng tâm, đo chính xác chiều cao của bậc so với mặt chuẩn.
- Đo kiểm biên dạng (profin) của một bề mặt cong.

VATTUCOKHI247 là đại lý chính hãng cung cấp các sản phẩm Đồng hồ so điện tử Mitutoyo tại Việt Nam, chúng tôi cam kết đem lại cho khách hàng những giải pháp tối ưu, sản phẩm chất lượng, giá cả cạnh tranh và thời gian giao hàng nhanh nhất.
Vui lòng liên hệ để được tư vấn: