Thông số kỹ thuật của Thước Ke Vuông Insize 4790-2000 200x130mm Grade 0
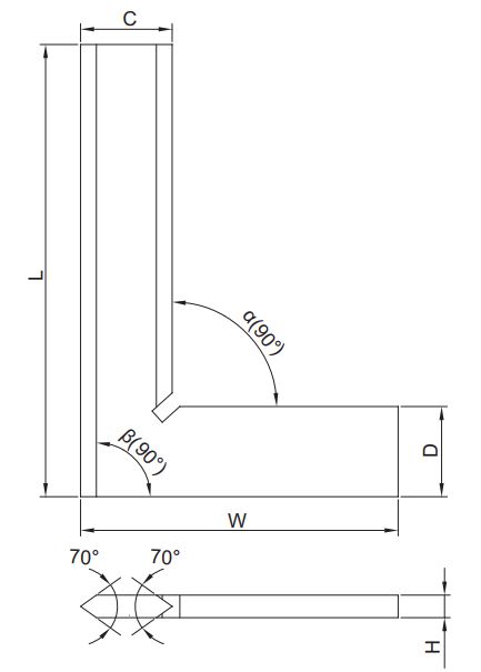
- Size (LxW) : 200x130mm
- Cấp chính xác : Grade 0 (Dùng trong xưởng gia công, lắp ráp)
- Độ vuông góc (Squareness) :
+ Bên trong (Inside) α : 8µm
+ Bên ngoài (Outside) β : 9µm
- Kích thước : C= 34mm, D= 34mm, H= 7mm

Ứng dụng và tính năng của Thước Ke Vuông Insize 4790-2000 200x130mm Grade 0
Ứng dụng:
- Thiết lập góc vuông 90 độ cho dụng cụ hay đồ gá.
- Kiểm tra góc vuông 90 độ dựa vào việc quan sát khe hở.
- Cấp chính xác Grade 0 thích hợp sử dụng trong nhà xưởng gia công, lắp ráp.
Tính năng:
- Phủ Satin chrome (Satin chrome plating).
- Các cạnh vát để đo bên ngoài và bên trong (Beveled edges for inside and outside measurement).
- Được làm bằng Inox cứng (Made of hardened stainless steel).
- Tiêu chuẩn DIN875, grade 0.
Lựa chọn Vattucokhi247.com, quý khách được đảm bảo:
- Hàng chính hãng có bảo hành
- Giá hợp lý, chiết khấu cao
- Nhiều chương trình khuyến mãi và quà tặng
- Giao hàng nhanh chóng theo yêu cầu
Vui lòng liên hệ VATTUCOKHI247 để được tư vấn NHANH CHÓNG - HIỆU QUẢ