-
- Tổng tiền thanh toán:
Mua DAO TIỆN RÃNH TRONG Nhật Bản giá rẻ hơn tại VATTUCOKHI247
Xếp theo:
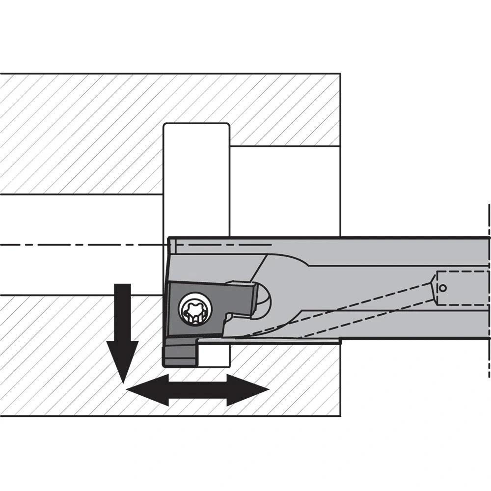
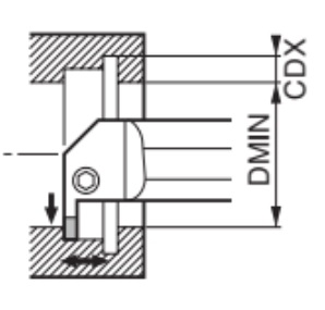
Giới Thiệu Dao Tiện Rãnh Trong (Lỗ) Kyocera - Sự Hiệu Quả và Độ Tin Cậy Tuyệt Vời, Tại PAC Việt Nam
Trong lĩnh vực gia công kim loại, dao tiện rãnh trong (lỗ) của Kyocera là một giải pháp xuất sắc, mang lại sự hiệu quả và độ tin cậy tuyệt vời. Với vai trò là đại lý hàng đầu của Kyocera, PAC Việt Nam không chỉ cung cấp sản phẩm chất lượng mà còn đảm bảo dịch vụ tận tâm và chuyên nghiệp. Dưới đây là một số đặc điểm nổi bật của dao tiện rãnh trong (lỗ) Kyocera:
BẢNG GIÁ MẢNH DAO TIỆN RÃNH + CẮT ĐỨT - KHUYẾN MÃI
BẢNG GIÁ THÂN DAO TIỆN RÃNH - KHUYẾN MÃI

1. Thiết Kế Đặc Biệt Cho Gia Công Lỗ:
- Dao tiện rãnh trong (lỗ) Kyocera được thiết kế đặc biệt để đáp ứng các yêu cầu chính xác và mịn màng trong quá trình gia công lỗ.
2. Chất Liệu Kim Loại Chất Lượng Cao:
- Sản phẩm được chế tạo từ chất liệu kim loại chất lượng cao, giúp gia công kim loại trở nên dễ dàng và đạt được độ bền và độ sắc nét ổn định.
3. Mảnh Dao Đa Dạng và Hiệu Quả:
- Kyocera cung cấp một loạt các mảnh dao với nhiều kích thước và hình dạng khác nhau, phục vụ mọi nhu cầu và yêu cầu của quá trình gia công.
4. Hiệu Suất Gia Công Ưu Việt:
- Lưỡi cắt của dao tiện rãnh trong Kyocera được gia công với độ chính xác cao, giúp tối ưu hóa hiệu suất gia công và đảm bảo chất lượng sản phẩm.
5. Độ Chính Xác và Bề Mặt Hoàn Thiện Cao:
- Thiết kế độ chính xác cao giúp dao tiện rãnh trong Kyocera tạo ra các lỗ với độ chính xác và bề mặt hoàn thiện cao, đáp ứng đầy đủ tiêu chuẩn chất lượng.
6. Dịch Vụ Tận Tâm từ PAC Việt Nam:
- PAC Việt Nam không chỉ là đại lý cung cấp sản phẩm, mà còn cam kết mang đến dịch vụ tận tâm, từ tư vấn chọn sản phẩm đến hỗ trợ sau bán hàng, để đảm bảo sự hài lòng và tin cậy của khách hàng.
7. Ứng Dụng Đa Dạng và Linh Hoạt:
- Dao tiện rãnh trong Kyocera có thể sử dụng trong nhiều ứng dụng khác nhau, từ gia công hàng loạt đến sản xuất chi tiết đặc biệt, linh hoạt đáp ứng mọi nhu cầu của ngành công nghiệp.
Với sự kết hợp giữa chất lượng sản phẩm Kyocera và dịch vụ uy tín của PAC Việt Nam, dao tiện rãnh trong (lỗ) Kyocera là sự lựa chọn hàng đầu cho các doanh nghiệp muốn đạt hiệu suất cao và chất lượng tối ưu trong quá trình gia công kim loại.

